46091members
6711online
158119posts
MSN 20068983
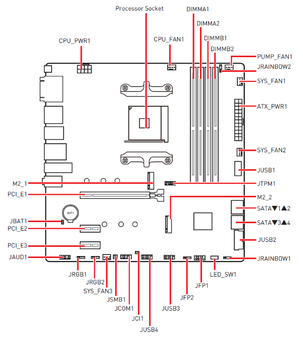
Processors from the Ryzen third Generation Series can be installed.
There are 4 memory slots on the mainboard each with 32 GB RAM. The maximum capacity is therefore 128 GB.
| Module: | 288-Pin DIMM |
| Type: | SDRAM-DDR4 |
| Speed: | 1866/ 2133/ 2400/ 2667/ 2800/ 2933/ 3000/ 3066/ 3200 MHz (JDEC) 3466 /3600/ 3733 /3866 /4000 /4133 /4266 /4400+ MHz by A-XMP OC MODE |
| Voltage: | 1.2 V |
| Feature: | no ECC Support |
⚠️Note⚠️ In the 32-bit editions of Windows operating systems a maximum of about 3.2 GB memory is detected.You can find more information about this on the Microsoft website.
| Slot | Interface | Dimensions | Key(s) | Note |
|---|---|---|---|---|
| 1 | PCIe 4.0 / 3.0 x4, SATA 6Gb/s | 2242, 2260, 2280 | key M | M.2 Combination cards with B and M key can be used |
| 2 | PCIe 3.0 x4 | 2242, 2260, 2280 | key M | M.2 Combination cards with B and M key can be used |
⚠️Note⚠️ For the fastening you need a screw with a metric M2 thread and a length between 2.5 mm and 3.0 mm. The head should have a diameter of 4 mm to a maximum of 5 mm and be flat. If the screws are not available in local shops, you can find them in online shops.
| Audio: | Realtek ALC892 / ALC897 Codec (7.1-Channel High Definition Audio) |
| LAN: | Realtek RTL8111HN 1Gbps LAN controller |
| Wireless LAN / Bluetooth: | Intel Dual Band Wireless-AC 3168 Wi-Fi: 802.11 a/b/g/n/ac, dual band (2.4GHz, 5GHz) up to 433 Mbps Bluetooth: Dual Mode Bluetooth 2.1, 2.1+EDR, 3.0, 4.0, BLE 4.2 |
The information in this article refers to:
Article in other languages:
Review Date: 2025-07-20
