MSN 20068644
There are 4 memory slots on the mainboard each with 32 GB RAM. The maximum capacity is therefore 128 GB.
| Module: | 288-Pin DIMM |
| Type: | SDRAM-DDR4 |
| Speed: | 2133/2400/2666/2933 MHz |
| Voltage: | 1,2 |
| Feature: | no ECC-support |
⚠️Note⚠️ In the 32-bit editions of Windows operating systems, a maximum of approx. 3.2 GB of memory can be recognised. You can find more information on this on the Microsoft website.
| Slot | Interface | Dimensions | Keys | Hints |
|---|---|---|---|---|
| 1 | PCIe 4x | 2242, 2260, 2280, 22110 | M key | MB Designation (M2Q_SB) |
| 2 | PCIe 4x, SATA | 2242, 2260, 2280 | M key | MB Designation (M2A_SB) |
| 3 | 2242 | only WLAN (M2_Wifi) |
If the M.2 port 2 (M2A_SB) is equipped with a SATA M.2, the SATA port 0 is without function.
⚠️Note⚠️ For the fastening you need a screw with a metric M2 thread and a length between 2.5 mm and 3.0 mm. The head should have a diameter of 4 mm to a maximum of 5 mm. If the screws are not available in local shops, you can find them in online shops.
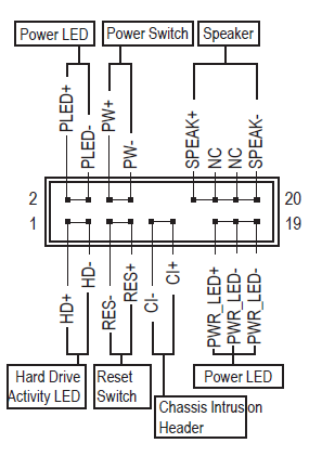
Note the correct polarity, otherwise the computer may not start.
The information in this article refers to:
Article in other languages:
Review Date: 2025-03-12
