am 20.01.2022 16:19
am 20.01.2022 16:19
Mein Sohn kommt mit seinem Speicher nicht aus und ich kann nun zusehen wie ich das Problem lösen kann 😅.
Medion Erazer SS90VQS
MD 34871
Er meint wir müssen den SSD erweitern. Ich bin völlig planlos was, wie .....
Freue mich über Unterstützung!
Danke!
20.01.2022 19:53 - bearbeitet 20.01.2022 21:23
20.01.2022 19:53 - bearbeitet 20.01.2022 21:23
Hallo Letssee,
immer die unschuldigen Kleinen, die für solche Fragen herhalten müssen.
Euer Rechner wurde mit 16 GB Ram Speicher und einer 512 GB M.2PCIe SSD ausgeliefert.
Du hast grundsätzlich zwei Möglichkeiten. Auf eurem Mainboard ECS B460H6-EM gibt es einen zweiten M.2 Slot für eine weitere zweite M.2 SSD mit SATA Protokoll und B+M Key.
Die erste ist eine PCIe M.2 SSD, die Platte auf der Windows installiert ist
Die exakte Bezeichnung wäre --> M.2 SATA SSD B+M Key 2280 (22mm breit, 80 mm lang), 1 TB
Oder man baut eine echte HDD als 3,5" oder 2,5" Modell ein. Diese kann man auf einer Erhebung im Boden vor dem Netzteil befestigen.
Dann bräuchte man noch ein ca 40 cm langes SATA Anschlusskabel; ein Stromanschlussstecker müsste im Kabelstrang noch frei sein.
Auf den Bildern des Links siehst Du, den Boden des Rechners , eine 3,5" Festplatte (HDD). Statt dessen kann man auch eine kleinere 2,5" SSD da anschrauben.
Gruss, daddle
am 20.01.2022 19:55
am 20.01.2022 19:55
Moin @Letssee und willkommen,
mit deiner Bezeichnung SS90VQS kann ich so gar nichts mit anfangen. Woher stammt diese?
Mit MD34871 schon, die gehört zu einen P67015 und hat möglicherweise die MSN Nummer 10023693.
dort ist eine M.2 SSD /2280/ 512GB große PCIe verbaut und sitzt auf einen B460H6-EM Board.
Für dich am einfachsten:
Dort ist noch ein Steckplatz frei, den du nutzen kannst, für eine M.2 /2280 /SATA.
Beachte bitte das es eine SATA sein muß , eine PCIe passt dort nicht.
Tschüss Fishtown
am 20.01.2022 20:08
am 20.01.2022 20:08
Vielen lieben Dank
@daddle schrieb:
Hallo Letssee,
immer die unschuldigen Kleinen, die für solche Fragen herhalten müssen.
Euer Rechner wurde mit 16 GB Ram Speicher und einer 512 GB M.2PCIe SSD ausgeliefert.
Du hast grundsätzlich zwei Möglichkeiten. Auf eurem Mainboard ECS B460H6-EM gibt es einen zweiten M.2 Slot für eine weitere zweite M.2 SSD mit SATA Protokoll und B+M Key.
Die erste ist eine PCIe M.2 SSD, die Platte auf der Windows installiert ist
Die exakte Bezeichnung wäre --> M.2 SATA SSD B+M Key 2280 (22mm breit, 80 mm lang), 1 TB
Oder man baut eine echte HDD als 3,5" oder 2,5" Modell ein. Diese kann man auf einer Erhebung im Boden vor dem Netzteil befestigen.
Dann bräuchte man noch ein ca 40 cm langes SATA Anschlusskabel; ein Stromanschlussstecker müsste im Kabelstrang noch frei sein.
Gruss, daddle
Gruss, daddle
Vielen lieben Dank @daddle bei Option 2 bin ich gedanklich schon raus 🤣
Option 1 klingt machbar für mich. Darf ich noch fragen wo der Unterschied liegt?
am 20.01.2022 20:09
am 20.01.2022 20:09
Na wenn das jetzt nicht hilft, alles ist doppelt vorgetragen. Warst leider 2 Mnuten zu spät. 😄
Spass beiseite, es gibt nach der Datenbank nur ein MD 34871 Modell. Von daher ist es egal, wenn die etwas merkwürdige Bezeichnung SS90VQS mitgenannt wurde.
Gruss, daddle
am 20.01.2022 20:12
am 20.01.2022 20:12
@Fishtown schrieb:Moin @Letssee und willkommen,
mit deiner Bezeichnung SS90VQS kann ich so gar nichts mit anfangen. Woher stammt diese?
Mit MD34871 schon, die gehört zu einen P67015 und hat möglicherweise die MSN Nummer 10023693.
dort ist eine M.2 SSD /2280/ 512GB große PCIe verbaut und sitzt auf einen B460H6-EM Board.
Für dich am einfachsten:
Dort ist noch ein Steckplatz frei, den du nutzen kannst, für eine M.2 /2280 /SATA.
Beachte bitte das es eine SATA sein muß , eine PCIe passt dort nicht.
Tschüss Fishtown
Hallo @Fishtown
SS90VQS diese stand in der Gerätebezeichnung da ich nirgends die MSN finden konnte. Auch nicht über Windows + R. Das hatte ich hier schon gesehen das dies wichtig ist.
am 20.01.2022 20:14
20.01.2022 20:17 - bearbeitet 20.01.2022 21:21
20.01.2022 20:17 - bearbeitet 20.01.2022 21:21
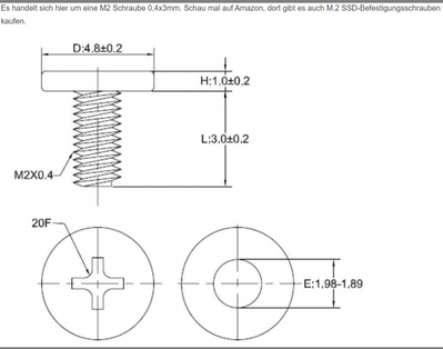
Nun, die M.2 SSDs sind so klein und flach wie ein Ram (Speicherriegel), und müssen nur in das vorhandene Socket eingesteckt werden. Dann haben sie Daten und Stromanschluss in Einem. Dieser Socket liegt aber fast unter der Grafikkarte; diese müsste zuerst ausgebaut werden (ist leicht), um da gut ranzukommen. Ausserdem brauchst Du noch ein Schräubchen M2 zum Befestigen:
Stattdessen kann man auch eine SATA 2,5 " SSD unten auf dem Boden montieren, die sind gleich schnell wie die SATA M.2 SSDs. Haben die Bauform einer klassischen Notebook Harddisk mit den rotierenden Scheiben.
Hier ist ein Link, das beispielhaft ein geöffnetes gleiches Gehäuse wie deines zeigt mit einer 3,5" HDD, die eingebaut wird
Dafür brauchst Du so ein Kabel zusätzlich --> https://www.amazon.de/deleyCON-SATA-Kabel-S-ATA-Datenkabel-Rot/dp/B01F24PM3I/ref=sr_1_4?__mk_de_DE=%...
Gruss, daddle
21.01.2022 01:49 - bearbeitet 21.01.2022 19:08
21.01.2022 01:49 - bearbeitet 21.01.2022 19:08
Hallo @Letssee ,
Wenn man noch nicht im Innern Eines PCs zu Gange war, ist eine mögliche Herangehensweise das Anschauen von youtube videos.
Ein Video zu dem Motherboard Deines Rechnermodells habe ich nicht gefunden. Jedoch zeigen M.2 SSD richtig einsetzen | Anleitung oder Anleitungsvideo M.2 SSD bei PC richtig einbauen den Vorgang des Einsetzen einer M.2 SSD in den Sockel. Der letztere link behandelt auch die Behandlung in der Datenträgerverwaltung. Falls die Videos suggerieren, dass das Motherboard ausgebaut sein sollte - das in nicht der Fall. Aber die Anschaulichkeit des Videos wird dadurch erhöht. Dass der freie Sockel von der Videokarte verdeckt wird, wurde hier in post #8 schon erwähnt.
Zur Orientierung hilft auch der post #2 im thread https://community.medion.com/t5/ERAZER-Gaming/B460H6-EM-motherboard-and-M-2-connectors-on-PC-MD-3516...
Hilfreich ist es auch, wenn Du Dich über den Sinn einer Reststromentladung informierst. Also die Schritte 1 bis 3 vorm Öffnen des Gehäuses im stromlosen Zustand, wie sie hier im post #3 geschildert werden. Auch an sich selbst kann man das durch Berührung eines geerdeten Gegenstandes (Heizkörper) durchführen, um eine mögliche statische Aufladung vor dem Kontakt mit elektronischen Bauteilen auszuschließen.
Gruss Jan
am 03.03.2023 19:34
am 03.03.2023 19:34
Hallo zusammen.
Ich habe das gleich Problem und habe auch verstanden das der zweite M2 Steckplatz auf dem Board für ein M2 SATA Modul sein soll. Jetzt nicht direkt auf mich draufhauen, aber gibt es den PC vielleicht auch mit der Version M2 NVME als zweiten Steckplatz? Ich frage weil mein Steckplatz nur 1 Kerbe hat (siehe Bild) und daher ein M2 Sata Modul nicht passen wird. Habe ich da einen Denkfehler?
Vielen Dank für jede Antwort.
