am 08.12.2023 01:02
am 08.12.2023 01:02
Me gastaría saber si se puede montar otro ssd ya que el hdd va muy lento para juegos.
am 08.12.2023 19:26
am 08.12.2023 19:26
Como escribí; Entonces mis descripciones se ajustan a tu computadora. El MSN encaja.
@daddle schrieb:Proporcione el número MSN de la computadora para comparar. Si es MSN 10024726 o MSN 10023617, se aplica lo siguiente:
daddle
xxxxx
am 08.12.2023 09:06
am 08.12.2023 09:06
Proporcione el número MSN de la computadora para comparar. Si es MSN 10024726 o MSN 10023617, se aplica lo siguiente:
Sí tu puedes. Puede insertar un SSD PCIe M.2 en la ranura M.2 libre restante. La placa base está actualmente equipada con un SSD SATA M.2. La otra ranura PCIe M.2 libre se encuentra ligeramente encima de la ranura de la tarjeta gráfica. Para instalar allí el nuevo SSD PCIe M.22, se recomienda retirar temporalmente la tarjeta gráfica.
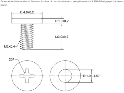
Para fijar el nuevo SSD m.2 necesitas un pequeño tornillo:
Saludos, daddle
In Deutsch:
Bitte nenne noch zum Abgleichen die MSN Nummer des Rechners.
Ist es die MSN 10024726 oder die MSN 10023617 gilt folgendes:
Ja kannst Du. Du kannst eine PCIe M.2 SSD in den noch vorhandenen freien M.2 Slot einsetzen.
Das Mainboard ist momentan mit einer SATA M.2 SSD ausgestattet.
Der andere freie PCIe M.2 Slot sitzt etwas oberhalb des Grafikkarten Slots. Um die neue M.22 PCIe SSD dort einzubauen, empfiehlt es sich die Grafikkarte temporär auszubauen.
am 08.12.2023 13:28
am 08.12.2023 13:28
El pc viene con un ssd de 256gb y un hdd de 1tb , me gustaria saber si se puede añadir otro ssd y donde va conectado , gracias.

08.12.2023 13:51 - bearbeitet 08.12.2023 13:53
08.12.2023 13:51 - bearbeitet 08.12.2023 13:53
Una foto aprobadas, el número de serie es visible en la segunda foto.
Si es necesario, por favor, haz que la imagen sea irreconocible y súbela de nuevo.
Luke
am 08.12.2023 15:17
am 08.12.2023 17:08
am 08.12.2023 17:08
La segunda ranura se puede ver verticalmente al lado de los módulos RAM. Dado que su PC viene equipado de fábrica con un SATA M.2 de 256 GB, el segundo M.2 debe colocarse como PCIe M.2 en la ranura situada junto a los módulos de RAM. #Esto se muestra en la imagen de la derecha.
Saludos, daddle
am 08.12.2023 17:48
am 08.12.2023 19:13
am 08.12.2023 19:13
MSN 10023617. Seria poner una de estas?, mando foto.
am 08.12.2023 19:26
am 08.12.2023 19:26
Como escribí; Entonces mis descripciones se ajustan a tu computadora. El MSN encaja.
@daddle schrieb:Proporcione el número MSN de la computadora para comparar. Si es MSN 10024726 o MSN 10023617, se aplica lo siguiente:
daddle
xxxxx
am 08.12.2023 19:34
am 08.12.2023 19:34
Gracias por su atención un saludo y que tenga una feliz navidad.
