MSN 20067966
Intel CPUs der 10 Generation (Comet Lake) und Pentium Gold / Celerons für den Sockel LGA 1200
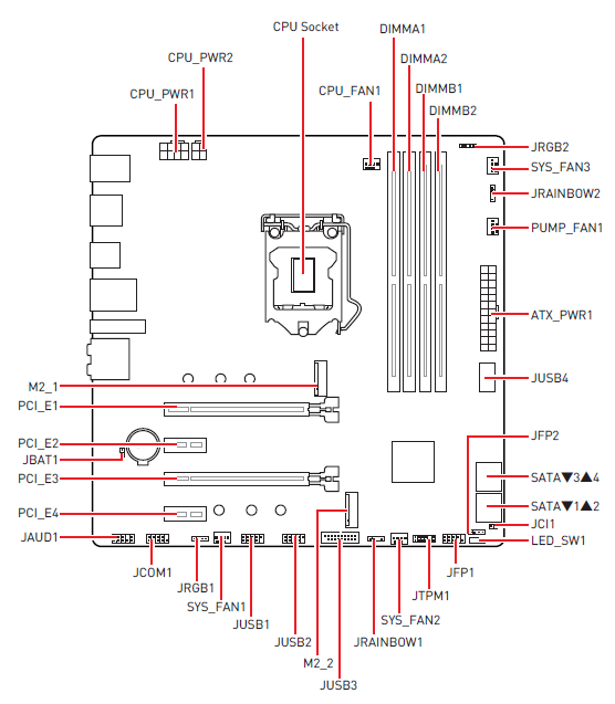
Auf dem Mainboard sind 4 Speichersteckplätze vorhanden, die jeweils 32 GB RAM aufnehmen. Die maximale Kapazität beträgt also 128 GB.1
| Modul: | 288 Pin-DIMM |
| Typ: | SDRAM-DDR4 |
| Takt: | 2133/2666/2933/4000/4266/4400/4800 MHz |
| Spannung: | 1,2V |
| Besonderheit: | keine ECC-Unterstützung |
1Bitte beachte, dass in den 32-Bit Editionen von Windows Betriebssystemen maximal ca. 3,2 GB Speicher erkannt werden. Nähere Informationen hierzu findest Du auf der Internetseite von Microsoft.
Solltest Du bisher noch keinen Speicher eingebaut haben, kann Dir dieses Video von MSI weiterhelfen.
| Slot | Anbindung | Baugröße | Key(s) | Bemerkung |
|---|---|---|---|---|
| 1 | PCIe x4, SATA1 | 2242/2260/2280 | M Key | Intel Optane memory ready |
| 2 | PCIe x4, SATA | 2242/2260/2280 | M Key | Intel Optane memory ready |
| 3 | 2242 | E Key | nur WLAN |
RAID Unterstützung für M.2
Die M.2 Steckplätze können beliebig kombiniert werden, RAID ist allerdings nur bei gleicher Anbindung (PCIe / SATA) möglich:
2 × SATA M.2: RAID 0, RAID 1
2 × PCIe M.2: RAID 0, RAID 1
1Der SATA2 Port wird deaktiviert, wenn eine M.2 SATA SSD den M2_1 Slot verwendet.
Für die Befestigung benötigst Du eine Schraube mit metrischem M2 Gewinde und einer Länge zwischen 2,5 mm und 3,0 mm. Der Kopf sollte einen Durchmesser von 4 mm bis maximal 5 mm haben. Sollten die Schrauben im lokalen Fachhandel nicht verfügbar sein, findest Du sie im Online-Handel.
Die Front-PIN-Belegung kann der Abbildung entnommen werden.
Übersicht
Unterstützt die AMD 2-Way CrossFire Technology
Unterstützt die NVIDIA 2-Way SLI Technology
Die Informationen in diesem Artikel beziehen sich auf:
Review Date: 2021-07-28
