45145members
1823online
155898Beiträge
MSN 20067125
Unterstützt werden CPUs der 2. und 3. AMD Ryzen Generation mit Radeon Vega Grafik und CPUs der 2. AMD Ryzen Generation mit Radeon Graphics für den Sockel AM4.
Auf dem Mainboard sind 4 Speichersteckplätze vorhanden, die jeweils 32 GB RAM aufnehmen. Die maximale Kapazität beträgt also 128 GB (abhängig vom Prozessor).
| Modul: | 288-Pin-DIMM |
| Typ: | SDRAM-DDR4 |
| Takt: | 1866/ 2133/ 2400/ 2666 MHz by JEDEC; 2666/ 2800/ 2933/ 3000/ 3066/ 3200/ 3466/ 3600/ 3733/ 3866/ 4000/ 4133/ 4266/ 4400 MHz by A-XMP |
| Spannung: | 1.2V |
| Besonderheit: | keine ECC-Unterstützung |
⚠️Hinweis⚠️ In den 32-Bit Editionen von Windows Betriebssystemen werden maximal ca. 3,2 GB Speicher erkannt. Nähere Informationen hierzu findest Du auf der Internetseite von Microsoft.
| Slot | Anbindung | Baugröße | Key(s) | Bemerkung |
|---|---|---|---|---|
| 1 | PCIe 4.0 x4 (3rd Gen AMD Ryzen); PCIe 3.0 x4 (2nd Gen AMD Ryzen) | 2242, 2260, 2280, 22110 | M key | |
| 2 | PCIe 3.0 x4 und SATA 6Gb/s | 2242, 2260, 2280 | M key |
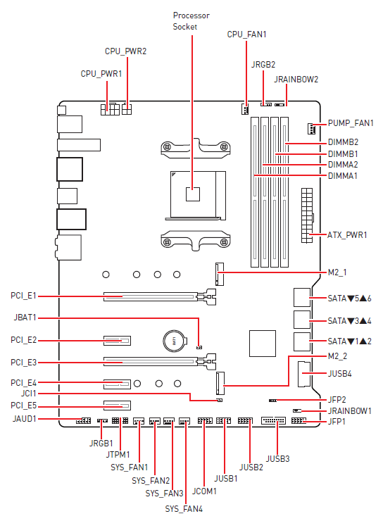
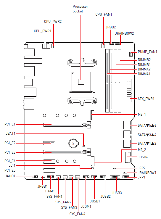
Die Front-PIN-Belegung kann der Abbildung entnommen werden.
Die Informationen in diesem Artikel beziehen sich auf:
Artikel in anderen Sprachen:
Review Date: 2025-02-28
