45245members
4027online
156067posts
MSN 20067125
Supported are CPUs of the 2nd and 3rd AMD Ryzen generation with Radeon Vega graphics and CPUs of the 2nd AMD Ryzen generation with Radeon graphics for socket AM4.
There are 4 memory slots on the mainboard, each of which can hold 32 GB of RAM. The maximum capacity is therefore 128 (depending on the processor).
| Module: | 288-Pin-DIMM |
| Type: | SDRAM-DDR4 |
| Clocking: | 1866/ 2133/ 2400/ 2666 MHz by JEDEC; 2666/ 2800/ 2933/ 3000/ 3066/ 3200/ 3466/ 3600/ 3733/ 3866/ 4000/ 4133/ 4266/ 4400 MHz by A-XMP |
| Voltage: | 1.2V |
| Special features: | no ECC-support |
⚠️Note⚠️ In the 32-bit editions of Windows operating systems, a maximum of approx. 3.2 GB of memory is recognised. You can find more information on this on the Microsoft website.
| Slot | Connection | Dimensions | Key(s) | Note |
|---|---|---|---|---|
| 1 | PCIe 4.0 x4 (3rd Gen AMD Ryzen); PCIe 3.0 x4 (2nd Gen AMD Ryzen) | 2242, 2260, 2280, 22110 | M key | |
| 2 | PCIe 3.0 x4 und SATA 6Gb/s | 2242, 2260, 2280 | M key |
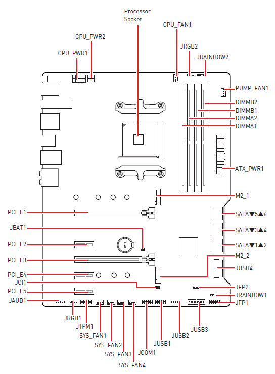
The front PIN assignment can be taken from the illustration.
The information in this article refers to:
Article in other languages:
Review Date: 2025-02-28
