abbrechen
Suchergebnisse werden angezeigt für 
Stattdessen suchen nach 
Meintest du 

Suche Verbindungskabel für MD 82633

2 ANTWORTEN 2
TClancy
Newcomer
Nachricht 1 von 3
3.022 Aufrufe
Nachricht 1 von 3
3.022 Aufrufe

Suche Verbindungskabel für MD 82633

Hallo und guten Abend,

 

nach meinem Umzug ist leider das Verbindungskabel zwischen dem Subwoofer und dem Gerät verloren gegangen.

 

Leider ist dies nirgends spezifiziert und Medion konnte mir selbst (Hotline bzw. Ersatzteileshop) auch nicht weiterhelfen.

 Das Ding ist auch nirgends spezifiziert und nicht standardisiert.... (wird immer ´"to MAIN" oder "to Woofer" genannt

 

Kann mir hier eventuell jemand weiterhelfen ? Bei Bedarf sende ich auch gerne Bilder...

 

Vielen Dank und viele Grüße für Eure Unterstützung bereits im voraus !

TClancy

 

2 ANTWORTEN 2
Andi
Master Moderator
Nachricht 2 von 3
2.958 Aufrufe
Nachricht 2 von 3
2.958 Aufrufe

Hallo @TClancy und herzlich willkommen in der Community.

 

Das Kabel ist zwar in unserem Serviceshop gelistet, jedoch leider nicht mehr verfügbar.

 

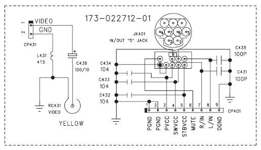
Falls du einen Elektronikbastler kennst, kann ich dir zum Nachbau aber die Pinbelegung anbieten.

 

 

Anschluss Hauptgerät:

Hauptgerät.JPG

 

 

Anschluss Subwoofer:

Subwoofer.JPG

 

 

Gruß - Andi

 


MEDION. LÄUFT BEI MIR.
• Web: www.medion.de • Community: community.medion.com • Facebook: MEDIONDeutschland • Instagram: @medion.de


Bitte belohne hilfreiche Antworten mit Kudos und markiere die beste Antwort/Lösung mit Als Lösung akzeptieren.
kater314
Beginner
Nachricht 3 von 3
439 Aufrufe
Nachricht 3 von 3
439 Aufrufe

Kann Dir so ein Kabel zusenden

2 ANTWORTEN 2